![]() |

|
|
||||||||||||||||||||||||||||||||||||||||||||||||||||||||||||||||
JMW系列機械隔膜式計量泵

產品介紹
流量范圍:0-32L/H
壓力范圍: 0-1.0MPA
電機功率: 60W,220V / 380V , 50/60Hz
驅動系統: 兩相、三相標準電機或防爆電機,
防護等級: IP55
材料
泵頭: SUS304, SUS316, PVC, PTFE
隔膜: PTFE
單向閥: SUS304, SUS316, PVC, PTFE
閥球: ZrO2, SUS304, SUS316, 陶瓷
工作條件
環境溫度: -30℃ --- 60℃
技術參數
|
型號 |
流量 (l/h) |
壓力 (MPA) |
行程(mm) |
沖次(min-1) |
隔膜直徑 (mm) |
功率(W) |
進出口徑(DN) |
重量(kg) |
|
JMW9/1.0 |
10 |
1.0 |
3 |
120 |
60 |
60 |
8 |
6 |
|
JMW15/0.5 |
20 |
0.5 |
3 |
120 |
60 |
8 |
||
|
JMW25/0.5 |
40 |
0.5 |
4 |
120 |
60 |
8 |
||
|
JMW32/0.4 |
60 |
0.4 |
4 |
120 |
84 |
8 |
可選用220V、380V直流電機。
特點
1. 操作安全,機械驅動隔膜。
2. 密封性好,無泄漏,裝配維修簡單安全。
3.它可以傳輸高粘度介質,腐蝕性液體和危險性的化學品。
4.流量調節能夠調節沖程長度或電機頻率。
5.隔膜為多層復合結構壓制而成,DY層超韌性Teflon耐酸薄膜,第二層EPDM彈性橡膠,第三層3.0mmSUS304支撐鐵芯,第四層采用強化尼龍纖維補,第五層采用EPDM彈性橡膠完全包履,可有效提出升隔膜適用壽命。
應用
廣泛應用于石油化工、化工、電力、冶金、采礦、造船、輕工、農業、國防等工業。
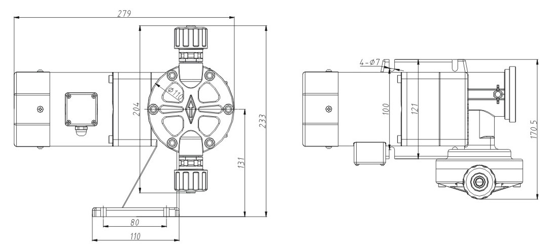
尺寸