![]() |

|
|
|||||||||||||||||||||||||||||||||||||||||||||||||||||||||||
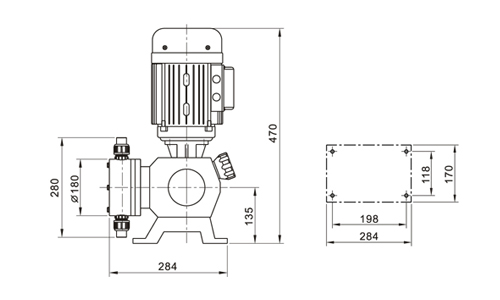
JMZ系列機械隔膜式計量泵(電機驅動型)

產品介紹
流量范圍:0-560 L/H
壓力范圍: 0-0.5 MPA
電機功率: 550W, 380V / 400V , 50/60Hz
驅動系統: 兩相、三相標準電機或防爆電機
防護等級: IP55
流量控制: 手動控制,
材料
泵頭: SUS304, SUS316, PVC, PTEF
隔膜: PTFE
單向閥: SUS304, SUS316, PVC, PTFE
閥球: ZrO2, SUS304, SUS316, 陶瓷
工作條件
環境溫度: -30℃ --- 60℃
技術參數
|
型號 |
流量(l/h) |
壓力(MPA) |
沖次(min-1) |
功率(kw) |
進出口徑(DN) |
重量(kw) |
|
JMZ 180/0.5 |
180 |
0.5 |
48 |
0.55 |
DN25
|
25 |
|
JMZ 280/0.5 |
280 |
0.5 |
72 |
0.55 |
||
|
JMZ 360/0.4 |
360 |
0.4 |
96 |
0.55 |
||
|
JMZ 450/0.4 |
450 |
0.4 |
144 |
0.55 |
||
|
JMZ 560/0.3 |
560 |
0.3 |
144 |
0.55 |
特點
1. 操作安全,機械驅動隔膜。
2. 密封性好,無泄漏,裝配維修簡單安全。
3.它可以傳輸高粘度介質,腐蝕性液體和危險性的化學品。
4.流量調節能夠調節沖程長度或電機頻率。
5.隔膜為多層復合結構壓制而成,DY層超韌性Teflon耐酸薄膜,第二層EPDM彈性橡膠,第三層3.0mmSUS304支撐鐵芯,第四層采用強化尼龍纖維補,第五層采用EPDM彈性橡膠完全包履,可有效提出升隔膜適用壽命。
應用
廣泛應用于石油化工、化工、電力、冶金、采礦、造船、輕工、農業、國防等工業。

